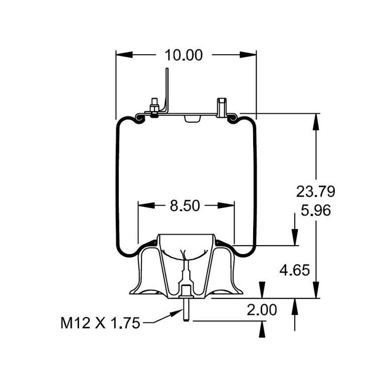
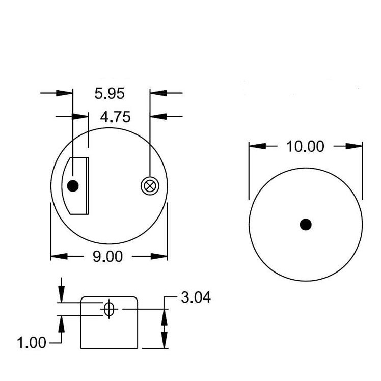
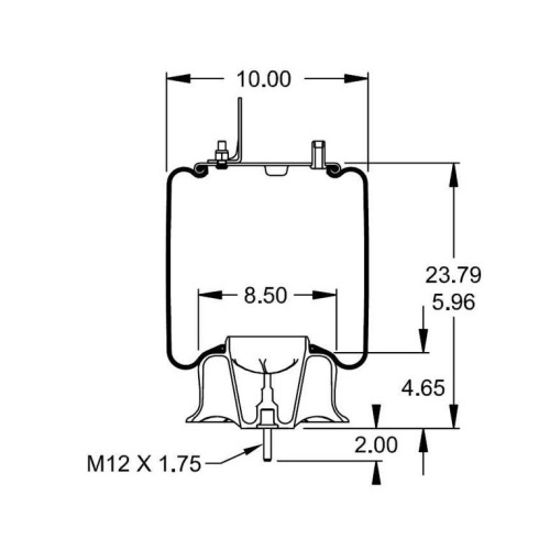
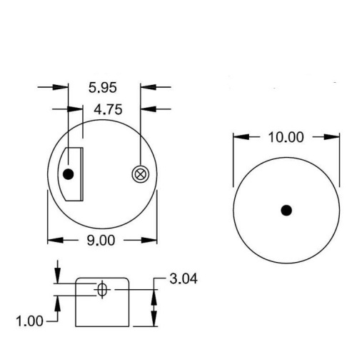
TR1191 | Air Spring for Navistar Trucks
Description : Air Spring for Navistar Replaces 3541731C1, W01-358-1191
Part Number : TR1191
Air Spring for Navistar Trucks
| Brand | Reference Numbers |
|---|---|
| Contitech | 73746, 9 10S‑18 P 1067, 9 10B‑195P 889 |
| Firestone | 1191, W013581191, W01‑358‑1191, W013589875, W01‑358‑9875, W01‑358‑1192 |
| Goodyear | 1R12432, 1R12‑432, 1R12‑689 |
| IHC | 2514460C1, 350243C94, 3541731C1 |
| Navistar | 3541731C1, FLTA1R12432 |
| Sampa | SP551191‑KP, SP 551191‑KP |
| Torque | TR9875 (Replaced by TR1191) |
| Property | Value |
|---|---|
| Extended Height | 23.79" |
| Compressed Height | 5.96" |
| Top Plate Width | 9.00" |
| Piston Width | 10.00" |
| Weight | 14.9 lbs |
