TR9270 | Trailer Air Spring
Description : Trailer Air Spring Replaces S-20010, 1R13-077, W01-358-9270
Part Number : TR9270
Trailer Air Spring
| Brand | Reference Numbers |
|---|---|
| Automann | 566.ER9270 |
| Alliance | ABP N32 019270 |
| BWP | M‑3542 |
| Contitech | 161034, 64287, 9 10‑13.5 S 433, 910‑13.5S433 |
| Dayton | 352‑9270 |
| Firestone | 9270, W013589270, W01‑358‑9270 |
| Goodyear | 1R13077, 1R13‑077, 1R13102, 1R13‑102, 1R13119, 1R13‑119 |
| Hendrickson | C20010, C‑20010, C25559, C‑25559, S20010, S‑20010, S25559, S‑25559, S‑21208, 520010, 521208, 525559 |
| Neway | G2299270300 |
| Ridewell | 1003589270C |
| Triangle | 8433, AS‑8433, AS‑8427 |
| Volvo/White | 3946473, 85101147 |
| Watson and Chalin | AS0084, AS‑0084 |
| Sampa | SP559270‑KA, SP 559270‑KA, SP559270KA |
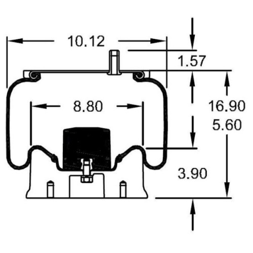
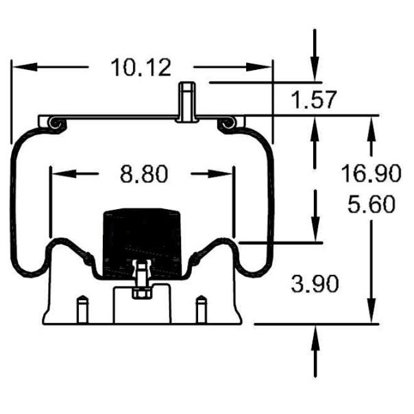
| Property | Value |
|---|---|
| Extended Height | 16.90" |
| Compressed Height | 5.60" |
| Top Plate Width | 9.00" |
| Piston Width | 9.50" |
| Weight | 14.40 lbs |
