TR9923 | Trailer Air Spring
Description : Trailer Air Spring Replaces 1R12-481, W01-358-9923, 1R12-533
Part Number : TR9923
Trailer Air Spring
| Brand | Reference Numbers |
|---|---|
| Automann | 566.CT64278, 566.ER9923, AB1DK23P‑9923 |
| Contitech | 161024, 64278, 9 10‑17.5 P 429, 910‑17 5P429 |
| Firestone | 9923, W013589923, W01‑358‑9923 |
| Goodyear | 1R12481, 1R12‑481, 1R12533, 1R12‑533, 1R12‑910 |
| Holland (Neway) | 905‑57‑118 |
| Misc | M3548, 68913, AS9923, 63915, 39923KPP, 4480, EUEFS7550, 65028 |
| Neway | 90557118 |
| Triangle | 8429 |
| Sampa | SP559923‑KP, SP 559923‑KP, SP559923KP |
| Property | Value |
|---|---|
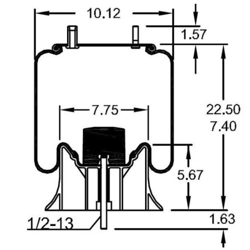
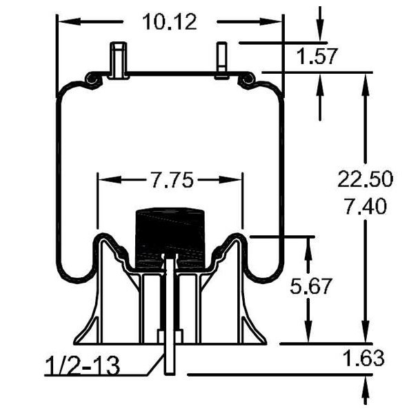
| Extended Height | 22.50" |
| Compressed Height | 7.40" |
| Top Plate Width | 9.00" |
| Piston Width | 10.25" |
| Weight | 14.30 lbs |
