+1 (514) 951 6460
+1 (514) 951 6460
info@torqueparts.ca
Sign in
Newsletter
About
Sign In
0
Cart:
0.00
You have
0
item(s) in your cart
Total :
View cart
Products
Main Menu
Air Brake Components
Air Compressors
Air Dryers and Parts
Gladhands and Handle Grips
Height Leveling Control Valves
Valves
Air Filters
Cabin Air Filters
Engine Air Filters
Reefer Air Filters
Air Springs
Air Springs by Vehicle Brand
Air Springs for Freightliner
Air Springs for International
Air Springs for Kenworth
Air Springs for Peterbilt
Air Springs for Volvo
Air Spings by Category
Cabin Air Springs
Convoluted Air Springs
Reversible Sleeve Air Springs
Pickup Truck Air Springs
Air Tanks
Suspension Support Kits
Body Parts
Body Parts by Category
Bumpers
Coolant Tanks
Deer Guards
Grilles
Headlights and Fog Lights
Mirrors and Mirror Covers
Air Deflectors
Fairings and Step Panel
Hood
Reefer Parts
Body Parts by Truck Brand
Body Parts for Freightliner Trucks
Body Parts for Internaltional Trucks
Body Parts for Kenworth Trucks
Body Parts for Peterbilt Truck Brand
Body Parts for Volvo Trucks
Brake Chambers
Brake Chambers
Service Chambers
Cables & Coils
Cargo Stabilizer
Hardware and Fittings
Hoses & Clamps
Mud Flap Hangers and Fenders
Angled Mud Flap Hangers
Straight Mud Flap Hangers
Quarter Fenders
Shock Absorbers
Slack Adjusters
Truck Accessories
Switch Cover
Door Handle
Other truck accessories
Wheel End Components
Brake Hubs
Hub Caps
Truck Wheel Hub Seal Installer Kit
Wheel Seals
Liquidation / Clearance
Bumper
Deer Guard
Grille
Mud Flap
Mirror
Light
Others
All Products
Main Menu
Become a Distributor
Contact
Careers
Warranty
RMA Form
Air Spring Warranty Evaluation Guidelines
Sign in
Main Page
/
Reversible Sleeve Air Springs
Sort by
Part Number
Product Name
Stock Qty
Per Page
20 Per Page
40 Per Page
60 Per Page
120 Per Page
Grid
List
Quick Overview
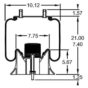
TR9307 | Trailer Air Spring
Click to see the price
Quick Overview
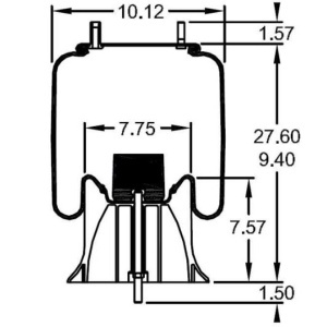
TR9321 | Trailer Air Spring
Click to see the price
Quick Overview
TR9366 | Trailer Air Spring
Click to see the price
Quick Overview
TR9367 | Trailer Air Spring
Click to see the price
Quick Overview
TR9370 | Trailer Air Spring
Click to see the price
Quick Overview
TR9371 | Air Spring for Navistar Trucks
Click to see the price
Quick Overview
TR9373BRK | Bracket for TR9373 and TR9375
Click to see the price
Quick Overview
TR9375 | Air Spring for Mack Trucks
Click to see the price
Quick Overview
TR9394 | Air Spring for Navistar Trucks
Click to see the price
Quick Overview
TR9422 | Air Spring for Kenworth Trucks
Click to see the price
Quick Overview
TR9466 | Trailer Air Spring
Click to see the price
Quick Overview
TR9471 | Trailer Air Spring
Click to see the price
Quick Overview
TR9541 | Air Spring for Kenworth Trucks
Click to see the price
Quick Overview
TR9580 | Trailer Air Spring
Click to see the price
Quick Overview
TR9616 | Air Spring for Kenworth Replaces K-303-16, 1R11-242, W01-358-9616
Click to see the price
Quick Overview
TR9617 | Air Spring for Kenworth Trucks
Click to see the price
Quick Overview
TR9622 | Air Spring for Kenworth Trucks
Click to see the price
Quick Overview
TR9625 | Air Spring for Kenworth Trucks
Click to see the price
Quick Overview
TR9626 | Hendrickson Trailer S23720 Reversible Sleeve Air Spring Plastic Piston
Click to see the price
Quick Overview
TR9644 | Trailer Air Spring
Click to see the price
1
2
3
4
×
×
0
Piece(s)
Added to Your Cart
0
Piece(s)
Added to Your Backorder List
Take advantage of the below pricing on the below item/items up to
Add To Cart
Take advantage of the below pricing on the below item/items up to
Add To Cart
×
Take advantage of the below pricing on the below item/items up to
Add To Cart
Order
×
Product
Price
Quantity
Total
×
This Item is added to your backorder list
×
×
×
Submitted. Thank you.